Inicio / Productos / Ventilador axial / Ventilador axial de cilindro / Ventilador axial del cilindro de techo YWF-300

Ventilador axial del cilindro de techo YWF-300

Zhejiang Qinlang Electromechanical Co., Ltd.

Ventilador axial del cilindro de techo YWF-300

Ventilador axial de cilindro de techo YWF-300. Este ventilador innovador está diseñado para satisfacer las diversas necesidades de varias aplicaciones, ofreciendo una combinación de rendimiento de alta velocidad, eficiencia energética, soluciones personalizables, operación confiable y construcción duradera.

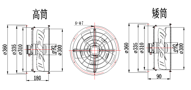
Parámetros de detalle Detalle del producto Forma de detalle Obtener una cotización

Rendimiento de alta velocidad para una circulación de aire eficiente
El ventilador axial de cilindro de techo YWF-300 está diseñado para ofrecer un rendimiento sobresaliente de alta velocidad. Su diseño avanzado le permite generar un poderoso flujo de aire, lo que lo hace ideal para aplicaciones donde un gran volumen de aire debe moverse de manera rápida y eficiente. Esta capacidad de alta velocidad asegura que el ventilador pueda circular efectivamente el aire en espacios grandes, proporcionando un ambiente cómodo y bien ventilado. Ya sea en una instalación de fabricación, un almacén grande o un edificio comercial, el ventilador axial del cilindro de techo YWF-300 puede manejar las demandas de la circulación de aire de alto volumen con facilidad.


Eficiencia energética para ahorros de costos y sostenibilidad

En una era donde la conservación de energía es frontal, el ventilador axial del cilindro de techo YWF-300 brilla en términos de eficiencia energética. Está diseñado con componentes avanzados que optimizan el uso de energía mientras mantienen el rendimiento máximo. Esto no solo ayuda a los usuarios a reducir sus facturas de energía, sino que también contribuye a una operación más sostenible y ecológica. El diseño de eficiencia energética del ventilador asegura que funcione a niveles de alta calidad, proporcionando el flujo de aire necesario sin desperdiciar energía. Para las empresas y organizaciones que buscan reducir los costos y reducir su huella de carbono, el ventilador axial del cilindro de techo YWF-300 es una buena inversión de rendimiento.


Operación confiable para un rendimiento ininterrumpido

La confiabilidad es un factor crucial cuando se trata de elegir un ventilador, y el ventilador axial del cilindro de techo YWF-300 sobresale a este respecto. Está construido con materiales y componentes de alta calidad que están diseñados para resistir la prueba del tiempo. La operación confiable del ventilador asegura que pueda ejecutarse continuamente sin la necesidad de mantenimiento o reparaciones frecuentes. Esto no solo ahorra tiempo y dinero para el usuario, sino que también asegura que el ventilador siempre esté listo para funcionar cuando sea necesario. Su rendimiento constante y confiable lo convierte en una opción confiable para varias aplicaciones donde el flujo de aire ininterrumpido es crucial.


Construcción duradera para uso a largo plazo

El ventilador axial de cilindro de techo YWF-300 cuenta con una construcción duradera que está diseñada para durar. Su construcción resistente y componentes robustos lo hacen capaz de resistir condiciones duras y un uso pesado. Ya sea expuesto a temperaturas especiales, alta humedad o ambientes polvorientos, la construcción duradera del fanático asegura que permanezca en las mejores condiciones. Esta longevidad no solo proporciona valor por dinero, sino que también reduce la necesidad de reemplazos frecuentes.


El ventilador axial de cilindro de techo YWF-300 es un ventilador de alto rendimiento, eficiente en energía, personalizable, confiable y duradero que ofrece una solución integral para una amplia gama de aplicaciones. Su capacidad para proporcionar flujo de aire de alta velocidad, minimizar el consumo de energía, adaptarse a requisitos específicos, operar de manera confiable y resistir condiciones duras lo convierte en una elección de sobrecarga en el mercado. Ya sea que esté buscando un ventilador para uso industrial, comercial o residencial, el ventilador axial del cilindro de techo YWF-300 seguramente cumplirá y superará sus expectativas. Con sus características avanzadas y su rendimiento confiable, el ventilador axial del cilindro de techo YWF-300 es una inversión inteligente para cualquier persona que necesite una solución efectiva de circulación de aire.

Certificado

Después de años de esfuerzos sin demoras, el equipo de I + D de Qinlang ha logrado una serie de logros tecnológicos en el campo de la fabricación de ventiladores de flujo axial, asegurando la integridad de los procesos técnicos de la compañía y la diversidad de sus productos, y formando una reserva técnica profunda.

  • Certificado
  • Certificado
  • Certificado
  • Certificado
  • Certificado
  • Certificado
SOBRE NOSOTROS
Zhejiang Qinlang Electromechanical Co., Ltd.

Zhejiang Qinlang Electromechanical Co., Ltd. se fundó en 2012. Es una empresa de ventiladores especializada en el diseño, desarrollo, producción y comercialización de diversos ventiladores y equipos de refrigeración para la industria y la construcción. Sus principales productos son ventiladores de rotor externo y ventiladores con motor de campana. Estos productos se utilizan ampliamente en la refrigeración y ventilación de diversos sistemas de refrigeración, aire acondicionado e instrumentación, así como para la ventilación y purificación de edificios, cocinas, empresas industriales y mineras, etc.

La empresa ha sido reconocida públicamente por su tecnología de vanguardia y su eficiente gestión, y se encuentra entre las mejores del sector de los ventiladores. Ofrece a sus clientes productos de alta calidad y un servicio de excelencia. Basada en la filosofía empresarial de "orientada a las personas y con visión de futuro", la empresa se basa en sólidos recursos de información y una amplia experiencia en el sector para minimizar los costes de adquisición y maximizar los beneficios para sus clientes. Sus productos de alta calidad y un servicio satisfactorio y atento gozan de una excelente reputación tanto a nivel nacional como internacional.

Noticias recientes

Aprenda sobre nuestra información de exhibición de la industria y eventos recientes en nuestra empresa.