Inicio / Productos / Ventilador centrífugo / Ventilador centrífugo curvo hacia atrás / Ventilador centrífugo curvo AC-560 Round Couse Backward Curvi

Ventilador centrífugo curvo AC-560 Round Couse Backward Curvi

Zhejiang Qinlang Electromechanical Co., Ltd.

Ventilador centrífugo curvo AC-560 Round Couse Backward Curvi

El ventilador centrífugo curvo hacia atrás de AC-560 Round Housing Backward es una solución avanzada de movimiento del aire diseñada para diversas aplicaciones industriales y comerciales. Construido con ingeniería de precisión, este ventilador centrífugo ofrece un rendimiento de alta eficiencia al tiempo que garantiza la durabilidad y los bajos niveles de ruido.

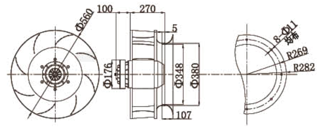
Parámetros de detalle Detalle del producto Forma de detalle Obtener una cotización

Diseño de flujo de aire de alta eficiencia

Una de las fortalezas clave del ventilador centrífugo curvo AC-560 Round Curing Backward es su capacidad para generar flujo de aire fuerte pero suave. El diseño del impulsor de inclinación hacia atrás reduce la turbulencia y mejora la eficiencia aerodinámica. Esta configuración única ayuda a mantener un flujo de aire estable y al mismo tiempo reduce la resistencia, asegurando un rendimiento constante en una gama de condiciones de funcionamiento.


Construcción robusta para la longevidad

La durabilidad es un factor crucial en las soluciones de ventilación industrial y comercial. El ventilador centrífugo curvo hacia atrás AC-560 Round Housing Backward se construye a partir de materiales de alta calidad que soportan entornos exigentes. Su vivienda redonda proporciona integridad estructural, reduciendo vibraciones y prolonga la vida útil del ventilador. Además, el recubrimiento resistente a la corrosión garantiza una operación a largo plazo incluso en condiciones desafiantes.


Niveles bajos de ruido y vibración

Un impulsor bien equilibrado y componentes diseñados con precisión contribuyen a la operación tranquila del ventilador. El ventilador centrífugo curvo hacia atrás de la carcasa redonda AC-560 está diseñado para minimizar los niveles de ruido sin comprometer el rendimiento. Las cuchillas de inclinación hacia atrás mueven eficientemente el aire mientras reducen el sonido inducido por la turbulencia, lo que lo convierte en una elección ideal para aplicaciones que requieren un entorno de trabajo más tranquilo.


Operación de eficiencia energética

Con la creciente demanda de soluciones de eficiencia energética, el ventilador centrífugo curvado hacia atrás AC-560 se destaca con su consumo de energía optimizado. El diseño de la cuchilla aerodinámica y el motor de alto rendimiento trabajan juntos para reducir la pérdida de energía, asegurando el ahorro de costos sobre el uso extendido. Esta eficiencia lo convierte en una opción prioritaria para las industrias con el objetivo de reducir los costos operativos al tiempo que mantiene la circulación de aire confiable.


Aplicaciones versátiles

El ventilador centrífugo curvo AC-560 Round Housing Backward es adecuado para diversas industrias y entornos. Se usa comúnmente en sistemas HVAC, ventilación industrial, unidades de manejo de aire y aplicaciones de enfriamiento. Su diseño adaptable permite una fácil integración en diferentes configuraciones de movimiento del aire, lo que lo convierte en una opción versátil para ingenieros y gerentes de instalaciones que buscan una solución de ventilación confiable.


Fácil instalación y mantenimiento

Un diseño fácil de usar asegura que el ventilador centrífugo curvo de AC-560 Round Backward Backward sea fácil de instalar y mantener. La configuración de la carcasa redonda permite el montaje directo, mientras que sus componentes accesibles hacen que el mantenimiento de rutina sea sin problemas. Con pequeños requisitos de mantenimiento, las empresas pueden confiar en este ventilador centrífugo para una operación a largo plazo sin interrupciones de servicios frecuentes.


Características de seguridad mejoradas

La seguridad es una prioridad principal en el equipo de movimiento del aire. El ventilador centrífugo curvo hacia atrás de AC-560 Round Couse Backward incorpora múltiples características de seguridad, que incluyen protección contra sobrecarga y salvaguardas térmicas. Estas características ayudan a prevenir el sobrecalentamiento y las fallas mecánicas, asegurando una operación confiable en entornos industriales.


El ventilador centrífugo curvo hacia atrás AC-560 Round Housing Backward es una solución de alto rendimiento, duradera y eficiente en energía para las necesidades de circulación de aire industrial y comercial. Con su construcción robusta, operación de bajo ruido y diseño optimizado de flujo de aire, este ventilador centrífugo ofrece un rendimiento confiable en una amplia gama de aplicaciones. Su facilidad de instalación y mantenimiento mejora aún más su valor, por lo que es una opción prioritaria para las empresas que buscan una solución de ventilación rentable y confiable.

Certificado

Después de años de esfuerzos sin demoras, el equipo de I + D de Qinlang ha logrado una serie de logros tecnológicos en el campo de la fabricación de ventiladores de flujo axial, asegurando la integridad de los procesos técnicos de la compañía y la diversidad de sus productos, y formando una reserva técnica profunda.

  • Certificado
  • Certificado
  • Certificado
  • Certificado
  • Certificado
  • Certificado
SOBRE NOSOTROS
Zhejiang Qinlang Electromechanical Co., Ltd.

Zhejiang Qinlang Electromechanical Co., Ltd. se fundó en 2012. Es una empresa de ventiladores especializada en el diseño, desarrollo, producción y comercialización de diversos ventiladores y equipos de refrigeración para la industria y la construcción. Sus principales productos son ventiladores de rotor externo y ventiladores con motor de campana. Estos productos se utilizan ampliamente en la refrigeración y ventilación de diversos sistemas de refrigeración, aire acondicionado e instrumentación, así como para la ventilación y purificación de edificios, cocinas, empresas industriales y mineras, etc.

La empresa ha sido reconocida públicamente por su tecnología de vanguardia y su eficiente gestión, y se encuentra entre las mejores del sector de los ventiladores. Ofrece a sus clientes productos de alta calidad y un servicio de excelencia. Basada en la filosofía empresarial de "orientada a las personas y con visión de futuro", la empresa se basa en sólidos recursos de información y una amplia experiencia en el sector para minimizar los costes de adquisición y maximizar los beneficios para sus clientes. Sus productos de alta calidad y un servicio satisfactorio y atento gozan de una excelente reputación tanto a nivel nacional como internacional.

Noticias recientes

Aprenda sobre nuestra información de exhibición de la industria y eventos recientes en nuestra empresa.