Inicio / Productos / Ventilador centrífugo / Ventilador centrífugo curvo hacia atrás / Ventilador centrífugo curvo AC-500 Air Traaty Backward Curvi

Ventilador centrífugo curvo AC-500 Air Traaty Backward Curvi

Zhejiang Qinlang Electromechanical Co., Ltd.

Ventilador centrífugo curvo AC-500 Air Traaty Backward Curvi

El ventilador centrífugo curvo AC-500 Air Tratamiento hacia atrás es una solución de ventilación de alto rendimiento diseñada para ofrecer una circulación de aire eficiente en entornos industriales y comerciales. Diseñado para durabilidad y flujo de aire optimizado, este ventilador centrífugo es ideal para aplicaciones que exigen un tratamiento de aire consistente y ventilación controlada.

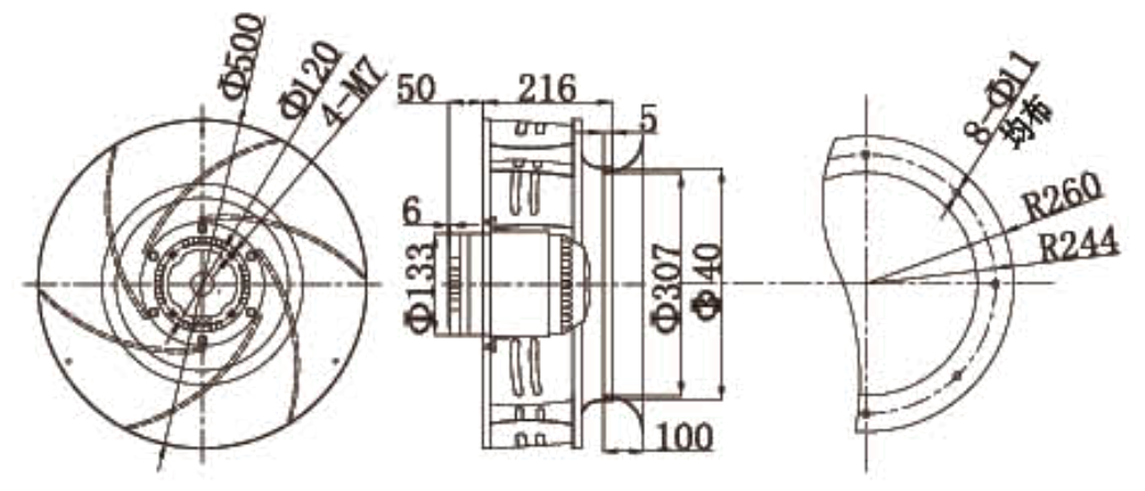
Parámetros de detalle Detalle del producto Forma de detalle Obtener una cotización

Eficiencia especial de flujo de aire

El ventilador centrífugo curvo de AC-500 Air Treation Backward está diseñado con cuchillas de inclinación hacia atrás que mejoran significativamente la dinámica del flujo de aire. Este diseño redujo en gran medida la resistencia y mejora la eficiencia energética, por lo que es una mejor opción para los sistemas de ventilación que requieren un tratamiento de aire efectivo. El rendimiento de alta eficiencia del ventilador garantiza un movimiento consistente del aire, reduciendo la tensión en los sistemas HVAC y mejorando el consumo general de energía.


Construcción robusta y duradera

Construido con materiales de alta calidad, el ventilador centrífugo curvo AC-500 Air Treation Backward está diseñado para una durabilidad a largo plazo. Su vivienda resistente a la corrosión garantiza una vida útil prolongada, incluso en la exigencia de entornos industriales. El marco resistente reduce las vibraciones, dominantes a la operación más tranquila y una mayor longevidad. Ya sea que se use en edificios comerciales, fábricas o sistemas de ventilación que requieren alta resistencia, este ventilador centrífugo proporciona flujo de aire confiable y consistente.


Optimizado para aplicaciones de tratamiento de aire

Una característica clave del ventilador centrífugo curvo hacia atrás del tratamiento con aire AC-500 es su capacidad para mejorar la calidad del aire al circular y filtrar de manera eficiente. Es adecuado para aplicaciones donde la pureza del aire es una prioridad, como espacios de trabajo industriales, laboratorios y entornos controlados. Al optimizar el intercambio de aire y la ventilación, el ventilador centrífugo curvo AC-500 Air Tratamiento hacia atrás contribuye a mantener una atmósfera interior más saludable y cómoda.


Rendimiento de eficiencia energética

El diseño de inclinación hacia atrás del ventilador centrífugo curvo hacia atrás del tratamiento con aire AC-500 asegura que el flujo de aire permanezca suave y sin restricciones, reduciendo el consumo innecesario de energía. La ingeniería avanzada detrás de este ventilador centrífugo permite un equilibrio entre potencia y eficiencia, por lo que es una buena opción para las empresas con el objetivo de reducir los costos de energía mientras mantiene un tratamiento de aire especial.


Operación de bajo ruido

El ventilador centrífugo curvo AC-500 Air Treation Backward está construido para operar con pequeños niveles de ruido, asegurando un ambiente de trabajo cómodo. El diseño de la cuchilla aerodinámica y la estructura resistente a la vibración contribuyen a una salida de ruido reducida, lo que lo hace adecuado para la configuración donde la reducción del sonido es importante. Ya sea instalado en espacios de oficina, instalaciones de producción o almacenes, este ventilador centrífugo ofrece el mejor tratamiento de aire sin causar interrupciones.


Fácil instalación y mantenimiento

Diseñado para la conveniencia del usuario, el ventilador centrífugo curvo AC-500 Air Treatment Backward presenta un proceso de instalación simple. Su diseño modular permite opciones de montaje flexibles, lo que lo hace adaptable a diferentes diseños del sistema de ventilación. Además, los requisitos de mantenimiento son pequeños, lo que garantiza que el tiempo de inactividad operativo se mantenga a un rudimentario. Las inspecciones de rutina y la limpieza son sencillas, contribuyendo a la eficiencia de larga duración del fanático.


Aplicaciones versátiles

El ventilador centrífugo curvo AC-500 Air Tratamiento hacia atrás es lo suficientemente versátil como para ser utilizado en diversas industrias y entornos. Su adaptabilidad lo convierte en una opción prioritaria para entornos que requieren un tratamiento de aire preciso, como plantas de fabricación, hospitales, instalaciones de investigación y edificios comerciales. No importa la aplicación, este ventilador centrífugo garantiza la mejor distribución y ventilación de aire.


Para las empresas e industrias que requieren un tratamiento de aire confiable, el ventilador centrífugo curvado de AC-500 Air Treation Backward es una solución confiable. Su combinación de flujo de aire eficiente, construcción duradera, capacidades de ahorro de energía y operación silenciosa lo convierten en una buena opción para una variedad de aplicaciones.

Certificado

Después de años de esfuerzos sin demoras, el equipo de I + D de Qinlang ha logrado una serie de logros tecnológicos en el campo de la fabricación de ventiladores de flujo axial, asegurando la integridad de los procesos técnicos de la compañía y la diversidad de sus productos, y formando una reserva técnica profunda.

  • Certificado
  • Certificado
  • Certificado
  • Certificado
  • Certificado
  • Certificado
SOBRE NOSOTROS
Zhejiang Qinlang Electromechanical Co., Ltd.

Zhejiang Qinlang Electromechanical Co., Ltd. se fundó en 2012. Es una empresa de ventiladores especializada en el diseño, desarrollo, producción y comercialización de diversos ventiladores y equipos de refrigeración para la industria y la construcción. Sus principales productos son ventiladores de rotor externo y ventiladores con motor de campana. Estos productos se utilizan ampliamente en la refrigeración y ventilación de diversos sistemas de refrigeración, aire acondicionado e instrumentación, así como para la ventilación y purificación de edificios, cocinas, empresas industriales y mineras, etc.

La empresa ha sido reconocida públicamente por su tecnología de vanguardia y su eficiente gestión, y se encuentra entre las mejores del sector de los ventiladores. Ofrece a sus clientes productos de alta calidad y un servicio de excelencia. Basada en la filosofía empresarial de "orientada a las personas y con visión de futuro", la empresa se basa en sólidos recursos de información y una amplia experiencia en el sector para minimizar los costes de adquisición y maximizar los beneficios para sus clientes. Sus productos de alta calidad y un servicio satisfactorio y atento gozan de una excelente reputación tanto a nivel nacional como internacional.

Noticias recientes

Aprenda sobre nuestra información de exhibición de la industria y eventos recientes en nuestra empresa.