Inicio / Productos / Ventilador de aire acondicionado de entrada de aire doble / KBH-250 Ventilador de aire acondicionado de doble entrada con rotor exterior DC sin escobillas

KBH-250 Ventilador de aire acondicionado de doble entrada con rotor exterior DC sin escobillas

Zhejiang Qinlang Electromechanical Co., Ltd.

KBH-250 Ventilador de aire acondicionado de doble entrada con rotor exterior DC sin escobillas

El ventilador de aire acondicionado de entrada de aire doble sin escobillas DC KBH-250 Rotor DC es un ventilador centrífugo sin escobillas DC de alto rendimiento diseñado para aplicaciones de aire acondicionado y ventilación. Este ventilador avanzado garantiza un flujo de aire eficiente, operación estable y un consumo de energía optimizado, por lo que es una opción prioritaria para los sistemas HVAC que requieren circulación de aire consistente y confiable.

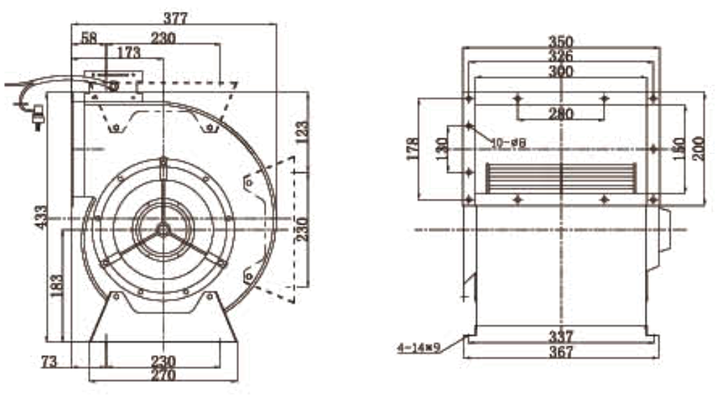
Parámetros de detalle Detalle del producto Forma de detalle Obtener una cotización

Tecnología avanzada del motor del rotor exterior

El ventilador de aire acondicionado de entrada de aire doble de aire doble sin escobillas KBH-250 DC CC utiliza un motor del rotor exterior, lo que mejora la eficiencia y reduce las pérdidas mecánicas. El diseño compacto del motor contribuye a su estructura ligera al tiempo que garantiza una buena disipación de calor. Esto da como resultado una vida útil prolongada y costos de mantenimiento reducidos, lo que lo convierte en una solución rentable para varios entornos industriales y comerciales.


Diseño de entrada de aire dual para flujo de aire mejorado

Una de las características definitorias del ventilador de aire acondicionado de entrada de aire doble de aire doble sin escobillas del rotor externo KBH-250 es su estructura de entrada de aire doble. Este diseño permite una mayor admisión de aire, limitó el flujo de aire mientras se mantiene niveles de presión estables. La distribución de aire equilibrada garantiza la mejor ventilación, mejorando el rendimiento general de los sistemas de aire acondicionado y reduciendo el consumo de energía.


H Motor sin escobillas de CC de eficiencia

Equipado con un motor DC sin escobillas, el ventilador de aire acondicionado de entrada de doble aire de doble aire DC del rotor externo KBH-250 DC proporciona un nivel especial de eficiencia en comparación con los motores de CA tradicionales. El diseño sin escobillas redujo en gran medida la fricción, reduciendo el desgaste y se extiende la vida útil del ventilador. Además, el motor opera con bajo ruido y pequeña vibración, contribuyendo a un entorno interior más tranquilo.


Rendimiento de ahorro de energía

La eficiencia energética es una consideración clave en los sistemas modernos de HVAC, y el ventilador de aire acondicionado de entrada de entrada doble de aire doble sin escobillas DC KBH-250 DC está diseñado para minimizar el consumo de energía. El sistema inteligente de control de motores ajusta la velocidad y el flujo de aire en función de los requisitos en tiempo real, optimizando el uso de energía mientras mantiene un rendimiento efectivo de enfriamiento y ventilación.


Construcción duradera y resistente a la corrosión

Diseñado para un uso a largo plazo, el ventilador de aire acondicionado de entrada de doble aire de doble aire DC del rotor externo KBH-250 DC está construido con materiales de alta calidad que aseguran la durabilidad y la resistencia a la corrosión. Esto hace que sea una elección ideal para entornos exigentes como instalaciones industriales, edificios comerciales y sistemas de HVAC residenciales.


Operación de bajo ruido y suave

La reducción de ruido es un factor importante para los ventiladores de aire acondicionado, especialmente en aplicaciones comerciales y residenciales. El ventilador de aire acondicionado de entrada de doble aire doble de aire KBH-250 Rotor DC sin escobillas está diseñado para funcionar con un pequeño ruido, proporcionando una atmósfera cómoda y tranquila. Las cuchillas de ingeniería de precisión y la estructura aerodinámica mejoran aún más el flujo de aire liso al tiempo que reduce la turbulencia y el ruido mecánico.


Diseño compacto y de ahorro de espacio

El diseño compacto del ventilador de aire acondicionado de entrada de aire doble de aire doble de aire DC KBH-250 DC permite una fácil integración en varios sistemas de aire acondicionado. Su estructura de ahorro de espacio es particularmente beneficiosa para las aplicaciones donde el espacio de instalación es limitado, lo que garantiza un rendimiento eficiente sin requerir espacio excesivo para la configuración.


Control de velocidad inteligente y adaptabilidad

Con capacidades avanzadas de control electrónico, el ventilador de aire acondicionado de entrada de aire doble de aire doble sin escobillas KBH-250 DC admite un control de velocidad variable. Esta adaptabilidad permite una regulación precisa del flujo de aire basado en condiciones ambientales, asegurando la eficiencia y el rendimiento optimizados en diferentes escenarios operativos.


El ventilador de aire acondicionado de entrada de aire doble de aire doble sin escobillas del rotor KBH-250 DC es una solución de alta calidad, eficiente y duradera para sistemas de aire acondicionado y ventilación. Su motor de rotor exterior, diseño de entrada de aire dual y un motor sin escobillas que ahorran energía proporcionan un rendimiento especial, mientras que su bajo funcionamiento de ruido y su estructura eficiente en el espacio lo convierten en una buena opción para una variedad de entornos.

Certificado

Después de años de esfuerzos sin demoras, el equipo de I + D de Qinlang ha logrado una serie de logros tecnológicos en el campo de la fabricación de ventiladores de flujo axial, asegurando la integridad de los procesos técnicos de la compañía y la diversidad de sus productos, y formando una reserva técnica profunda.

  • Certificado
  • Certificado
  • Certificado
  • Certificado
  • Certificado
  • Certificado
SOBRE NOSOTROS
Zhejiang Qinlang Electromechanical Co., Ltd.

Zhejiang Qinlang Electromechanical Co., Ltd. se fundó en 2012. Es una empresa de ventiladores especializada en el diseño, desarrollo, producción y comercialización de diversos ventiladores y equipos de refrigeración para la industria y la construcción. Sus principales productos son ventiladores de rotor externo y ventiladores con motor de campana. Estos productos se utilizan ampliamente en la refrigeración y ventilación de diversos sistemas de refrigeración, aire acondicionado e instrumentación, así como para la ventilación y purificación de edificios, cocinas, empresas industriales y mineras, etc.

La empresa ha sido reconocida públicamente por su tecnología de vanguardia y su eficiente gestión, y se encuentra entre las mejores del sector de los ventiladores. Ofrece a sus clientes productos de alta calidad y un servicio de excelencia. Basada en la filosofía empresarial de "orientada a las personas y con visión de futuro", la empresa se basa en sólidos recursos de información y una amplia experiencia en el sector para minimizar los costes de adquisición y maximizar los beneficios para sus clientes. Sus productos de alta calidad y un servicio satisfactorio y atento gozan de una excelente reputación tanto a nivel nacional como internacional.

Noticias recientes

Aprenda sobre nuestra información de exhibición de la industria y eventos recientes en nuestra empresa.